时序逻辑功能模块
计数器
计数器除了直接用于计数外, 还可以用于实现定时器、分频器、程序控制器、信号发生器等时序电路
异步二进制计数器

二进制加法计数规则:如果低位已经为1,则再记入1时就应回到0,同时向高位送出进位信号
异步十进制计数器

同步二进制计数器
n位二进制计数器用n个存储单元电路组成,存储单元的状态表示二进制数,存储单元由触发器实现

同步十进制计数器

可逆计数器
有加减控制的可逆计数器: 这种电路有一个CLK脉冲输入端, 有一个加减控制端, 电路作何种计数, 由加减控制端的控制信号来决定
双时钟可逆计数器: 这种电路有两个CLK脉冲输入端,电路作不同计数时, 分别从不同的CLK端输入
应用
在数字信号的传输和数字系统的测试中,有时需要用到一组特定的串行数字信号。通常把这种串行数字信号称为序列信号。产生序列信号的电路称为序列信号发生器

寄存器
暂时存放一组二进制数码的数字电路或器件
移位寄存器
除了寄存器的功能外,存放的二进制数码可以进行移位
移位寄存器型计数器
是指在移位寄存器的基础上加反馈电路而构成的具有特殊编码的同步计数器
移位寄存器型序列信号发生器
将移位寄存器和外围组合电路构成一个移位寄存器型计数器,使该计数器的模和要产生的序列信号的长度相等,并使移位寄存器的串行输入信号F(即组合电路的输出信号)和所要产生的序列信号相一致
应用
- 可编程分频器
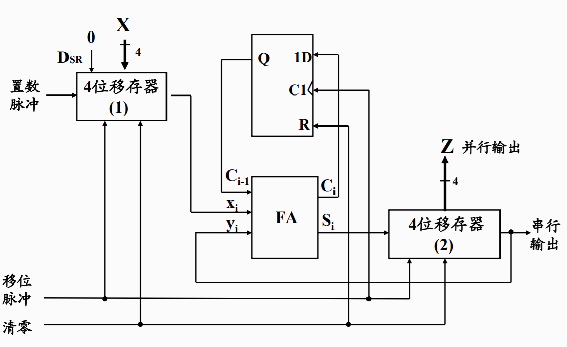
- 串行加法器
串行累加器
